ANDON 高温200℃封闭框架ICDIP插座,带支架

发布时间:2021-07-05 17:09:38     浏览:2220

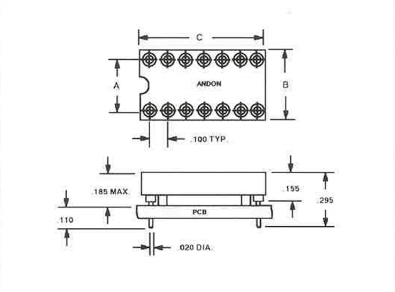
ANDON的高温200 DIP插座选用绝缘质料举行集成和模压,以完成非常佳的机械安全性。这些插座配有模压支架,以完成非常大的焊接可视性。特色包含:非常大的绝缘笼盖局限,以防备在高打击和振动环境短路。一个易于装备插入的引入倒角,一个关闭的底部,以防备焊料芯吸进入触碰地区,以及用于精确安置在PCB

ANDON的高温200 DIP插座上的刚性端子是阻燃剂,可处分高达250℃的温度,并由高温邻苯二甲酸二烯丙酯perMIL-M-14GSDG-F制作完成

ANDON.png

特殊功能和好处:

双列直插式插座,用于低剖面、高密度包装。

插座接管圆形或扁平引线的封装。

插座一端的切口,用于分度定位

模压刚性焊接端子在安置到PC板上时不会蜿蜒

端子/触点组件-与绝缘质料集成和模制,以完成非常佳的机械安全性。为焊接可视性供应模压支架。

非常大的绝缘笼盖,以防备在高打击和振动环境短路。

引入倒角,便于插入装备

关闭的底部防备焊料芯进入触碰地区。

高温邻苯二甲酸二烯丙酯/MIL-M-14GSDG-F型,阻燃剂,温度局限高达250℃。

ANDON为全世界客户提供了高性能电源插座产品,如CCD、光电、传感器、电池等项目。产品广泛运用于研发设计、军事及高温环境工程。深圳市3118云顶集团创展科技有限公司,授权代理销售ANDON产品,欢迎咨询。

详情了解ANDON请点击:/brand/76.html

或联系我们的销售工程师:0755-83642657   QQ: 2295048674

推荐资讯

  • M17/130-RG402半刚性电缆EZ Form
    M17/130-RG402半刚性电缆EZ Form 2022-11-10 16:50:29

    EZ Form?提供27条铜和铝护套半刚性电缆,符合mil - dll -17标准。它在国防后勤局的合格产品名单上。M17/130-RG402电缆满足或超过Mil规格,有各种尺寸和表面处理。

  • Fischer Core系列黄铜圆形连接器
    Fischer Core系列黄铜圆形连接器 2024-03-06 11:28:38

    Fischer Core系列黄铜圆形连接器是Fischer Connectors开发的第一个连接器系列,采用了独创的革命性推挽技术。经过超过65年的持续改进,该系列包括了20,000多种标准圆形连接器,并提供高度可定制的触点配置,适用于多种客户应用和苛刻的环境,如医疗、仪器仪表、国防与安全等领域。

在线留言

在线留言