使用二极管作为温度传感器

发布时间:2023-12-12 14:28:15     浏览:1729

可以想象,实现温度传感器或限值检测电路的成本可能与所需的精度成正比。例如,混合化学品的精密机器可能需要在混合试剂之前将溶液加热到精确和精确的点。在分析血液样本之前,医疗设备也可能需要达到温度。

使用半导体器件测量温度

但是,在每个设计中进行严格的温度测量并不重要。在许多情况下,可以使用简单的大致值。以老式恒温器为例。手动和机械调整提供了一个房间设置的“近似”温度的针规。使用五位数精确校准和补偿的温度传感系统是矫枉过正的,而且成本太高。

幸运的是,可以使用一种使用标准低成本二极管的常见且简单的技术来制造相对精确的温度传感器。这取决于半导体结在反向偏置条件下的特性。反向电流与硅的温度成正比。因此,一旦正确偏置,任何廉价二极管都可以产生与其温度成正比的反向电压。

如何构建温度传感器电路

电路的确切特性将取决于您选择的二极管,但总体而言,?x uV/°C的关系是反向偏置硅结随温度变化的典型响应。

如何使用这些信息将取决于您的需求。例如,热限位开关可以使用二极管和电阻偏置电路为比较器供电(图 1)。这将在预定阈值处改变状态,从而允许加热器控制,例如,保持温度范围(注意,此处适用滞后以防止跳变点周围的颤振振荡)。

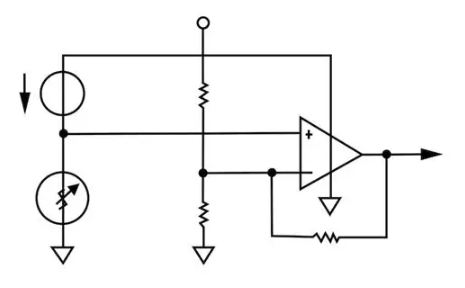
反向偏置二极管结用作电流源

图 1:反向偏置二极管结用作电流源 (I),其电流与温度和电压成正比。产生的电流将在检测电阻器上产生电压,可用于进行这种简单的限值或阈值开关。

当与可变电阻器或数字微调器结合使用时,更复杂的运算放大器电路可以提供较低和较高电平的校准点(图 2)。虽然反向电流响应在某种程度上是线性的,但会存在变化,因此,如果您使用的是嵌入式微控制器,并且需要找到一个精确的阈值,则可以参考查找表。

模拟微调电位器或数字微调器

图 2:模拟微调电位器或数字微调器可用于构建基本的校准电路,用于设置测量的下限和上限。

此外,还提供集成式半导体解决方案和评估套件,使设计人员能够选择用于远程定位的二极管。这很方便,因为许多金属二极管封装可以热安装到需要监控的金属机器上。

查看相关产品

LM95235CIMM/NOPB

德州仪器 (TI) 的一个示例套件是 LM95235EVAL 评估和开发系统,该系统可以使用二极管或晶体管作为温度传感器。晶体管可以使用集电极发射极结二极管作为检测元件(图 3),许多晶体管使用小型金属罐封装,这些封装也可以很好地贴装到被测单元上。

基于二极管和晶体管的热特性

图 3:基于二极管和晶体管的热特性,像 Texas Instruments 的 LM95235 这样的 IC 利用 PN 结的反向偏置行为,为远程温度测量提供 11 位精度。

虽然不如集成式校准和补偿单片解决方案那样可靠和准确,但 TI 开发套件展示了如何使用二极管和晶体管作为温度传感器来实现 11 位精度。这可以提供您需要的准确性,同时保持低成本。

更多相关TI 德州仪器品牌产品信息可咨询3118云顶集团创展

推荐资讯

  • Sarbe G2R Evo Safran
    Sarbe G2R Evo Safran 2023-06-12 16:54:00

    Safran?的Sarbe G2R Evo内嵌自主创新、质量与操作灵活性。迄今为止最先进的设备,将Personal Locator Beacon科技的功能增强一个全新的程度。

  • 需要在 SWIR 中进行距离选通主动成像吗?New Imaging Technologies
    需要在 SWIR 中进行距离选通主动成像吗?New Imaging Technologies 2022-12-15 16:40:05

    New Imaging Technologies?是WDRCMOS和SWIR解决方案的领导者,近年来QVGA(320×256)和VGA(640×512)分辨率 完整SWIR传感 成像产品主要用于紧凑型或智能相机系列产品(USB3.0)。

在线留言

在线留言