PMTA-0218-17-2低噪声放大器Princeton Microwave

发布时间:2024-06-18 09:15:27     浏览:1639

PMTA-0218-17-2低噪声放大器Princeton Microwave

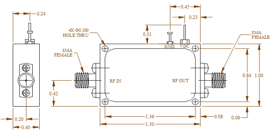
  Princeton Microwave的PMTA-0218-17-2低噪声放大器是一款专为2 GHz至18 GHz频率范围设计的高性能射频放大器。它具有以下关键特点和规格:

  - 频率范围: 2 GHz至18 GHz

  - 小信号增益: 最小17 dB

  - 增益平坦度: ±1.25 dB

  - 噪声系数: 2 dB(中频处)

  - 输入/输出回波损耗: -10 dB

  - 最小输出: 18 dB

  - 直流工作电压: 12 V

  - 直流工作电流: 100 mA

  - 连接器: SMA

  - 射频输入功率: 5 dBm

  - 工作温度: -40℃至85℃

  - 储存温度: -55℃至150℃

  该放大器还具备内部电压调节和偏置排序功能,确保稳定性和可靠性。作为一个密封模块,它能在-50?C至100?C的温度范围内工作,适合在恶劣环境中使用。总体而言,PMTA-0218-17-2是一款适用于需要低噪声和高增益射频应用的设备。

PmT公司自1993年起为军事和电信市场提供高质量的微波器件,如振荡器和放大器。该公司产品系列包括各种振荡器、低噪声放大器、功率放大器、功率分配器、耦合器、滤波器、混频器等。3118云顶集团创展代理分销PmT公司产品,欢迎了解。

相关推荐:

相关推荐:

Princeton Microwave介电谐振器 

PMT-PA-7984-10功率放大器

推荐资讯

  • DEI线路驱动器DEI1270A/DEI1271A
    DEI线路驱动器DEI1270A/DEI1271A 2021-12-24 17:06:07

    DEI线路驱动器?DEI1270A/DEI1271A双极集成电路是双线驱动器,设计适用于直接驱动ARINC429航空电子串行数字数据总线。DEI线路驱动器DEI1270A/DEI1271A将TTL/CMOS串行输入数据转换为ARINC数据总线的三电平RZ双极差分调制格式。

  • TPSM5D1806E降压模块(集成电感器)TI 德州仪器
    TPSM5D1806E降压模块(集成电感器)TI 德州仪器 2023-02-02 16:59:05

    TI德州仪器TPSM5D1806E?双输出6a电源模块是款高度集成化的dc/dc电源,灵活采用紧凑型8mm×5.5mm×1.8mmQFN封装。输入电压范围为4.5V至15v,能够将电压转换为宽电压范围的中间母线,及其标准5V和12V电流电压轨。

在线留言

在线留言