XCM526AC95DR-G降压DC-DC转换器TOREX

发布时间:2024-06-19 09:08:45     浏览:2130

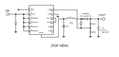
  XCM526AC95DR-G是Torex公司生产的一款高效降压DC-DC转换器。这款转换器集成了一个通用的降压DC/DC转换器IC和一个P-沟道功率MOSFET,形成了一个多重实装IC。内置的P-沟道功率MOSFET具有低导通电阻和高速开关特性,与降压DC/DC控制器配合使用,能够提供高达3A的输出电流,实现高效率和稳定的电源输出。

XCM526AC95DR-G降压DC-DC转换器TOREX

  该转换器支持使用低ESR钽电容(如OS-CON Neo电容等)作为负载电容,如果使用陶瓷电容,则需要插入RSENSE。它还内置了一个0.9V的基准电压源,允许用户通过外部电阻来设定输出电压。

  XCM526AC95DR-G提供了三种开关频率选择:300kHz、500kHz和1MHz,用户可以根据需要选择最适合的频率,以实现高效率或外置元件的小型化。工作模式方面,可以选择频率固定的PWM控制(XCM526A),或者在轻负载时工作于PFM控制,并在轻负载到重负载范围内实现高效率的PWM/PFM自动转换控制(XCM526B)。

  软启动时间可以选择由内部设定为4ms,或者通过外部设定来延长。此外,该转换器还内置了UVLO(欠压锁定)功能,当输入电压低于2.3V(典型值)时,会强制停止内部P沟道驱动晶体管的工作,以保护电路。

  XCM526AC95DR-G的电源电压范围为4.0V至16.0V,输出电压范围为1.2V至0.9V±1.5%,最大输出电流为3.0A。它支持500kHz和1MHz的工作频率,并提供PWM控制或PWM/PFM自动切换控制方式。该转换器还具备短路保护电路,导通阻抗分别为70mΩ(VGS=-4.5V)和47mΩ(VGS=-10.0V)。

  该产品符合环保要求,与EU RoHS规格对应,采用无铅工艺。XCM526AC95DR-G适用于多种应用,包括液晶电视、数码相机/摄像机、便携式游戏机和便携式设备等。

型号Control MethodsTypeOutput VoltageOscillation FrequencyPackages
XCM526AC95DR-GPWMSoft-start internally fixed0.9V500kHzUSP-12B01
XCM526AC9ADR-GPWMSoft-start internally fixed0.9V1.0MHzUSP-12B01
XCM526AD95DR-GPWMSoft-start externally set0.9V500kHzUSP-12B01
XCM526AD9ADR-GPWMSoft-start externally set0.9V1.0MHzUSP-12B01
XCM526BC95DR-GPWM/PFM automatic switchingSoft-start internally fixed0.9V500kHzUSP-12B01
XCM526BC9ADR-GPWM/PFM automatic switchingSoft-start internally fixed0.9V1.0MHzUSP-12B01
XCM526BD95DR-GPWM/PFM automatic switchingSoft-start externally set0.9V500kHzUSP-12B01
XCM526BD9ADR-GPWM/PFM automatic switchingSoft-start externally set0.9V1.0MHzUSP-12B01

更多Torex DCDC降压转换器可咨询3118云顶集团创展

推荐资讯

  • AD4020 模数转换器ADI
    AD4020 模数转换器ADI 2023-09-26 16:46:32

    ADI?的AD4020是款高精密、高速度、低能耗、20位、Easy Drive、高精密逐渐接近存储器(SAR)模数转换器(ADC),选用单电源VDD供电系统。

  • LS1012ASE7EKB低功耗处理器NXP恩智浦
    LS1012ASE7EKB低功耗处理器NXP恩智浦 2024-11-18 13:53:51

    LS1012A是一款低功耗处理器,专为电池或USB供电、空间受限的网络和物联网应用设计。它集成了Arm Cortex-A53核心,运行速度达1GHz,功耗仅为1W,支持线速网络性能和多种高速接口。软件上与LS家族设备兼容,属于NXP的EdgeVerse边缘计算平台。特点包括单核1GHz、256 KB L2缓存、16位DDR3L SDRAM、支持高达6 Gbit/s的SerDes、PCIe 2.0、SATA 3.0、USB 3.0/2.0等接口,以及多种外设和安全功能,封装为211 FC-LGA,9.6x9.6 mm。

在线留言

在线留言