204系列层压晶圆DIP插座ANDON

发布时间:2024-06-21 09:43:44     浏览:1382

   204系列层压晶圆DIP插座由ANDON公司生产,它采用FR-4环氧树脂(层压板)作为绝缘材料,并获得了UL 94V-0的认证。这款插座适用于DIP间距的元件,提供了多种引脚(PIN)数量和接触材料选择,包括镀金/镀金的黄铜(ASTM-B16)和镀锡铅/镀金的铍铜(ASTM-B194)。其工作温度范围为-65°C至+140°C。

204系列层压晶圆DIP插座ANDON204系列层压晶圆DIP插座ANDON

  插座的标准插入力为平均9盎司(oZ.),标准撤出力为至少2盎司(oZ.)。此外,还提供了其他类型的插入力和撤出力选项,以满足不同的应用需求。

  在订购信息方面,产品代码为204-XXX-XXX-PXX-N10,其中XXX-XXX代表特定的引脚数量和其他选项,PXX代表引脚镀层,N10代表无索引版本。

204-XXX-XXX-PXX-N10

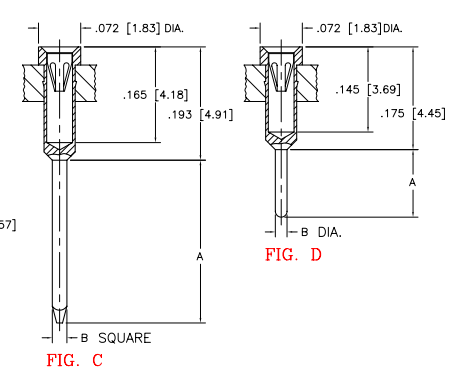
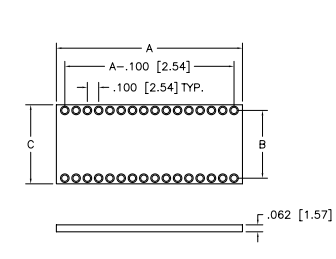
  该系列插座的尺寸和规格以英寸和毫米为单位进行了详细说明,包括PIN的直径(DIM "A")、PIN之间的间距(DIM "B")以及整体尺寸等。

SERIES    402    WAFER    CHART
PIN   DIM“A”DIM "B"DIM“C”
6.300[7.62.300
[7.62]
   400
[10.16]
306
8.400[10.16308
10500 [12.70]310
14700 [17.78]314
16800 [20.32]316
18900 [22.86]318
201.000  [25.40]320
221.100 [27.94322
241.200[30.48]324
281.400  [35.56]328
241.200 [30.48.600
[15.24]
  .700
  [17.78]
624
281.400  [35.56]628
301.500[38.10]630
321.600  [40.64]632
361.800  [45.72]636
402.000 [50.80]640
422.100 [53.34]642
482.400 [60.96]648
241.200[30.48900
[22.86]
1.000 [25.40]924
281.400[35.56.000 [25.40]928
321.650  [41.91]1.050 [26.67]932
502.500[63.05].000 [25.40]950
522.600[66.04]1.000 [25.40]952
643.250 [82.55]1.050 [26.67]964

更多Andon品牌产品信息可咨询3118云顶集团创展

推荐资讯

  • RK22压接可拆卸面板安装电源连接器AirBorn
    RK22压接可拆卸面板安装电源连接器AirBorn 2024-07-23 09:45:37

    RK22电源连接器(AirBorn品牌)专为母面板设计,特点包括两排0.150英寸间距触点、压接可拆卸端子、8个触点、铝合金材质、宽温工作范围(-65°C至125°C)、42A高额定电流,支持定制配置,适用于多种安装场景。

  • SuperSeal? MIL-DTL-28840海军连接器Glenair
    SuperSeal? MIL-DTL-28840海军连接器Glenair 2024-03-19 10:46:15

    坚固耐用的 USB 和 RJ45 连接器,非常适合海军。Glenair MIL-DTL-28840型连接器兼容USB或RJ45插件,在未配接时即能展现卓越的IP67密封性能(适用于USB、RJ12及RJ45插头和插座)。

在线留言

在线留言