XCA204A0K1MR降压DC-DC电源模块TOREX

发布时间:2024-07-04 09:24:06     浏览:2272

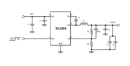
  XCA204A0K1MR是由Torex公司生产的一款高性能同步降压DC/DC电源模块。这款转换器设计用于将较高的输入电压降低至较低的输出电压,适用于多种电子设备的电源管理需求。

XCA204A0K1MR降压DC-DC电源模块TOREX

  该模块的主要特点包括:

  1. 工作电压范围:XCA204A0K1MR的工作电压范围为4.5V至18.0V,这使得它能够适应多种输入电压条件。

  2. 内置Nch-Nch驱动FET:模块内部集成了N沟道MOSFET作为驱动器,这有助于提高转换效率和简化外部电路设计。

  3. 输出电压可调:通过外部电阻R1和R2,用户可以将输出电压设置在0.8V至0.65×VIN或最高7.0V之间,提供了灵活的电压调节能力。

  4. 工作频率:该模块的工作频率为700kHz,这有助于减小外部元件的尺寸并提高转换效率。

  5. 控制方式:采用PWM/PFM自动切换控制方式,根据输出电流的需求在PWM(脉宽调制)和PFM(脉冲频率调制)之间自动切换,以实现在不同负载条件下的高效率转换。

  6. 软启动时间:内部固定的软启动时间为1.3ms,有助于减少启动时的电流冲击。

  7. 保护功能:内置欠压锁定(UVLO)功能,当输入电压降至4.1V以下时,会自动关闭驱动FET以保护电路。此外,还具备过流保护和热关断功能,确保在异常情况下设备的安全运行。

规格参数:


输入电压
4.5V~18V (绝对最大20V)
输出电压0.8V ~ 0.65×VIN 或7V Max
FB电压0.765V ±3.0%
输出电流3.0A
工作频率700kHz
控制方式PWM/PFM 自动切换
效率92%
内部功率 MOSFETHigh-side 85mΩ
Low-side 45mΩ
软启动时间1.3ms
保护功能UVLO
电流限制
热关断
电容对应陶瓷电容
工作环境温度-40℃ ~ 85℃
环保相关符合欧盟 RoHS 指令,无铅

  XCA204A0K1MR适用于多种应用场景,包括机顶盒、便携式电视、液晶电视和AP路由器等,为这些设备提供稳定可靠的电源解决方案。

更多Torex DCDC降压转换器可咨询3118云顶集团创展

推荐资讯

  • VCD40-D24-T315三路输出DC-DC转换器CUI
    VCD40-D24-T315三路输出DC-DC转换器CUI 2024-12-11 09:14:22

    CUI公司的VCD40 - D24 - T315是一款三路输出DC - DC转换器,输入电压18~36V,功率40W,输出电压3.3V、15V、-15V,输出电流6A、0.3A、-0.3A,隔离电压1500V,工作温度 - 40°C~85°C,效率90%。采用通孔安装和9 - DIP封装,尺寸2.00"长x2.00"宽x0.40"高,适合工业控制、通信设备等高功率、高效率、多电压输出的应用,尤其在空间受限场景中表现出色。

  • WRV系列DC-DC高压电源模块SDS High Voltage
    WRV系列DC-DC高压电源模块SDS High Voltage 2025-08-01 08:39:30

    WRV系列高压DC-DC转换器是SDS公司开发的超小型高性能电源模块,采用高频逐脉冲电流模式PWM控制技术,支持3.6-10Vdc、6-15Vdc和13.5-26Vdc三种宽电压输入,输出电压可编程至3kV。具有±0.01%的负载/线性调整率、0.002%纹波系数、<50ppm/°C的温度系数,PCB安装尺寸46.0×12.0×24.6mm,重量35g,镀锡钢板外壳,可选500mm飞线高压输出,工作温度-40℃至+80℃,适用于电池/太阳能等非稳压系统。

在线留言

在线留言