DAC39RF10-SP数模转换器(DAC)TI

发布时间:2024-08-08 09:14:24     浏览:1334

DAC39RF10-SP数模转换器(DAC)TI

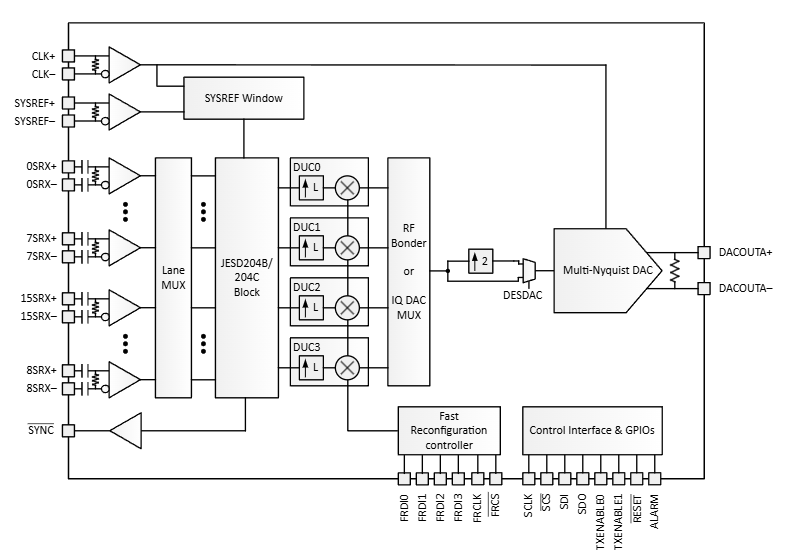
  DAC39RF10-SP 是TI德州仪器生产的一款具有 16 位分辨率的双通道和单通道数模转换器 (DAC)。以下是该产品的详细介绍:

  主要特性:

  分辨率:16 位

  DAC 通道数:2

  接口类型:JESD204B、JESD204C

  采样/更新速率:10400 Msps(双通道),20800 Msps(单通道)

  插值选项:提供多种插值倍数,包括 128 倍、12 倍、16 倍、192 倍、1 倍、24 倍、256 倍、2 倍、32 倍、3 倍、48 倍、4 倍、64 倍、6 倍、8 倍、96 倍

  功耗:典型值为 3800 mW

  无杂散动态范围:85 dB

  工作温度范围:25°C 到 25°C

  应用场景:

  直接射频采样:能够在超过 10GHz 的载波频率下生成高达 10GHz、7.5GHz 和 5GHz 的信号带宽,支持对 C 带进行直接采样。

  复数基带信号生成:适用于生成复杂的基带信号。

  任意波形生成 (AWG):利用高采样速率和 64 位 NCO 频率分辨率实现。

  直接数字合成 (DDS):支持相位相干的跳频。

  接口和同步:

  串行接口:符合 JESD204B 和 JESD204C 标准,具有 16 个接收器对,速率高达 12.8Gbps。

  确定性延迟和多器件同步:通过使用 SYSREF 实现。

  其他特性:

  超高速:适用于需要极高数据速率的应用。

  建筑电流源:确保稳定可靠的电流输出。

  引用类型:支持分机和整数类型。

  DAC39RF10-SP 是一款适用于高性能射频和通信系统的高速数模转换器,能够满足复杂信号生成和处理的需求。

推荐资讯

  • VCD40-D48-T312 DC-DC电源模块CUI
    VCD40-D48-T312 DC-DC电源模块CUI 2024-05-28 09:07:43

    VCD40-D48-T312是CUI公司的一款三输出隔离DC-DC电源模块,输入电压范围36V至72V,输出分别为3.3V、12V和-12V,最大功率29W,具有过温、过压和短路保护。适用于商业ITE设备,如IT和通信设备,提供稳定的电源输出和安全性。

  • RECOM RPH-3.0:高效降压开关稳压器的模块化革新方案
    RECOM RPH-3.0:高效降压开关稳压器的模块化革新方案 2025-07-23 08:46:38

    RECOM RPH-3.0降压开关稳压器采用PWM控制与同步整流技术实现高压(4.5V-55V)到低压(1-15V可调)的高效转换,具有95%超高效率、紧凑封装(10×12×4mm)及EMI优化设计,适用于工业物联网、汽车电子和消费电子等领域,显著降低能耗与开发周期。

在线留言

在线留言