Kulite XST-190(M)压力传感器

发布时间:2024-09-09 10:02:21     浏览:1211

  Kulite XST-190(M) 系列压力传感器是一款专为高过压环境设计的高性能传感器。它具备防损坏设计,能够在承受高过压的同时保持其完整性。

Kulite XST-190(M)压力传感器

  主要特点:

  高过压能力:能够在高过压环境下工作,避免损坏。

  防损坏设计:设计坚固,能够承受极端条件。

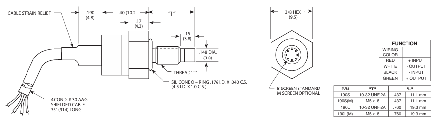
  易于安装:提供多种螺纹选项,便于安装。

  高自然频率:具有从150 KHz到550 KHz的高自然频率,适用于高速动态测量。

  硅对硅集成传感器VIS?技术:采用先进的硅对硅集成技术,提供高精度和稳定性。

  尺寸和连接:

Kulite XST-190(M)压力传感器尺寸和连接信息

  参数信息:

Kulite XST-190(M)压力传感器规格参数

  感应原理

  完全主动臂惠斯通桥:采用惠斯通桥电路,提供高精度和稳定性。

  电介质隔离的硅对硅结构:提供高可靠性和长寿命。

  备注

  - 提供不同的压力量程、精度和机械配置选项。

  - 连续开发和改进,保留规格变更权利。

  Kulite XST-190(M) 压力传感器广泛应用于需要高度可靠性和精准度的工业环境中,如航空航天、汽车测试、液压系统等领域。其高过压能力和防损坏设计使其成为极端条件下的理想选择。

Kulite是一家成立于1959年的美国传感器技术公司,专注于为航空航天、石油化工、汽车制造和军事装备等行业提供高质量的传感器解决方案。其产品线包括压力、加速度、温度和流量传感器,设计用于极端环境,确保高精度和可靠性。深圳市3118云顶集团创展科技有限公司是Kulite产品的授权代理商,提供咨询和销售服务。

推荐资讯

  • Safran机舱喷气发动机
    Safran机舱喷气发动机 2021-01-13 16:13:42

    Safran?是世界上两家领先的飞机发动机机房制造商之一。Safran目前有超过20800台发动机在服役,为所有类型的飞机提供机舱空间:区域飞机、商用飞机、干线商用飞机。

  • Stereolabs ZED双目3D相机:工业级立体视觉方案
    Stereolabs ZED双目3D相机:工业级立体视觉方案 2025-09-03 08:58:00

    StereoLabs推出的ZED X系列双目3D相机,包括ZED X、ZED X Mini和ZED X One,这些相机具有工业级可靠性,可应对复杂环境,具备IP67防护等级和宽温设计,内置高性能IMU,能保持稳定运动跟踪精度。它们有多种型号,覆盖不同场景需求,如农业机械导航、机械臂抓取等,具有精准深度与3D感知能力,可生成稳定深度数据和3D点云,通过硬件同步和ZED SDK实现多相机协同,为机器人提供可靠的立体视觉支持,推动自动化领域发展。

在线留言

在线留言