Solitron SMF473 400V N沟道功率MOSFET

发布时间:2024-09-10 09:10:21     浏览:2236

  Solitron SMF473是一款专为高功率应用设计的400V N沟道功率MOSFET。它具备多项关键特性,包括低R DS(on)(在400V时为40mΩ,10V时为22mΩ典型值)、高耐压(400V)、高输入电容(C iss,最大2900pF)和高输出电容(C oss,最大3900pF),以及低反向恢复电荷(Q rr,最大22nC)。这些特性使SMF473在开关电源、电机驱动和服务器电源等应用中表现卓越。

Solitron SMF473 400V N沟道功率MOSFET

  该MOSFET的电气规格全面,包括连续漏极电流ID为23A(在特定条件下),脉冲漏极电流IDM高达92A,最大功率耗散P为250W,并具备线性降额因子2W/°C。其工作温度范围广泛,从-55°C至150°C,存储温度范围同样为-55°C至150°C,确保了在各种环境下的稳定运行。

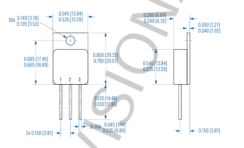
  SMF473采用TO-247-3L和D-Pak封装,不仅提供了良好的散热性能,还便于在电路板上安装和使用。其详细的规格参数和广泛的应用领域,使得Solitron SMF473成为高功率电子设计中的理想选择。

  应用领域:

  - 开关模式和谐振模式电源

  - 直流-直流转换器

  - PFC电路

  - 交流和直流电机驱动

  - 机器人与伺服控制

  参数:

PARAMETER                        SYMBOL    VALUE           CONDITIONS
Continuous Drain CurrentI23AV=10V,T=25℃
14AVes=10V,Te=100℃
Pulsed Drain Current (see note 1)I92A
Max.Power DissipationP250WT=25℃
Linear Derating Factor
2W/℃
Gate-to-Source VoltageV:20V
Single Pulse Avalanche Energy (see note 2)E980mJ
Avalanche Current (see note 1)I23A
Repetitive Avalanche Energy (see note 1)E25mJ
Peak Diode Recovery dv/dt (se note 3)dv/dt4V/ns
Operating JunctionTempeatureT55℃to 150℃
Storage Temperature RangeT-55℃to 150℃
Lead Temperature
300℃0.063in. (1.6mm)from case for 10s
Weight (typical)
9.3g

 Solitron SMF178 500V n沟道功率MOSFET 是一款高性能的半导体器件,适用于各种需要高电压和高电流处理能力的应用。其出色的电气特性、快速切换能力和可靠性使其成为工业和消费电子领域的理想选择。无论是用于电源管理、电机控制还是其他高功率应用,SMF178 都能提供卓越的性能和稳定性。

推荐资讯

  • IKCM10H60GA 10A三相智能功率电源模块Infineon
    IKCM10H60GA 10A三相智能功率电源模块Infineon 2025-05-13 09:08:41

    英飞凌的 IKCM10H60GA 是一款 600V/10A 三相智能功率模块(IPM),采用 TRENCHSTOP? IGBT 技术和 DIP 36x21 封装,集成 过流保护、欠压锁定、温度监测 等功能,并支持 自举电路 设计,适用于 洗衣机、干衣机、风扇 等家电及小型工业电机驱动,具有 高效节能、设计简单、高可靠性 等特点,并通过 UL 认证。

  • B+产品晶体振荡器Q-TECH
    B+产品晶体振荡器Q-TECH 2022-08-25 16:47:09

    随着数据传输速率的提高,抖动的干扰越发重要,成本预算越发短缺。抖动是数据的定期事件和其理想化位置偏差。抖动比较复杂,由任意抖动(RJ)和确定性抖动(DJ)组成。

在线留言

在线留言