PmTA-721-45-2.3低噪声放大器Princeton Microwave

发布时间:2024-10-15 09:00:08     浏览:2515

  Princeton Microwave Technology推出的PmTA-721-45-2.3低噪声放大器是一款高性能的微波放大器,专为需要低噪声和高增益的应用设计。该放大器的工作频率范围为7至21 GHz,适用于多种通信和雷达系统。

PmTA-721-45-2.3低噪声放大器Princeton Microwave

  主要特点

  频率范围:7至21 GHz,覆盖了广泛的微波频段。

  小信号增益:45 dB,确保信号的强劲放大。

  低噪声系数:2.3 dB中频,有助于保持信号的清晰度和纯净度。

  输入输出匹配:50欧姆,便于与标准微波系统集成。

  内部电压调节和偏置排序:提供稳定的电源管理和操作。

  无条件稳定:确保在各种工作条件下都能稳定运行。

  密封模块:保护内部组件免受环境影响。

  工作温度范围:-50?C至100?C,适应极端环境。

  参数规格

  频率:7至21 GHz

  小信号增益:最小45 dB

  增益平坦度:±1.25 dB

  噪声系数:2.3 dB中频

  输入回波损耗:-10 dB

  输出回波损耗:-10 dB

  最小输出:15 dB

  直流工作电压:12 V

  工作直流电流:100 mA

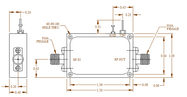
  连接器:SMA

  直流连接器:焊接在滤波器上

  绝对最大额定值

  直流电压:20 V

  射频输入功率:5 dBm

  工作温度:-40℃至85℃

  储存温度:-55℃至150℃

  PmTA-721-45-2.3低噪声放大器是Princeton Microwave Technology的又一力作,它以其卓越的性能和可靠性,满足了现代通信和雷达系统对高性能放大器的需求。无论是在极端温度条件下,还是在高频率和高增益要求下,PmTA-721-45-2.3都能提供稳定和可靠的性能。

PmT公司自1993年起为军事和电信市场提供高质量的微波器件,如振荡器和放大器。该公司产品系列包括各种振荡器、低噪声放大器、功率放大器、功率分配器、耦合器、滤波器、混频器等。3118云顶集团创展代理分销PmT公司产品,欢迎了解。

相关推荐:

相关推荐:

Princeton Microwave介电谐振器 

PMT-PA-7984-10功率放大器

推荐资讯

  • QTCC570晶体振荡器Q-TECH
    QTCC570晶体振荡器Q-TECH 2023-05-10 16:55:16

    Q-TECH?的表面贴装技术QTCC570振荡器通过一个集成电路工艺5Vdc、3.3Vdc、2.5Vdc和1.8Vdc时钟功率传感器以及中小型条型AT石英谐振器组合而成,QTCC570晶体振荡器内放置具有电镀金接触垫的超薄型陶瓷封装中。

  • Wi2Wi TLT3超小型晶振,TLT300032XCN3RX晶振32.768KHz
    Wi2Wi TLT3超小型晶振,TLT300032XCN3RX晶振32.768KHz 2025-09-25 08:55:42

    Wi2Wi TLT3-Series TCXO是一款面向便携式电子设备的高精度、超低功耗温度补偿晶体振荡器,其核心特点包括32.768 kHz基准频率、±1.5 ppm温度稳定性(可扩展至±2.5/5.0 ppm)、1.25 ?A超低工作电流(1.8V供电)以及1.8V-5.0V宽电压支持。采用3.28×2.50×1.30 mm迷你封装,适用于-40°C至+85°C严苛环境,主要应用于智能穿戴、IoT传感器及医疗电子设备等领域。

在线留言

在线留言