X-1620NL SMT信号隔离变压器iNRCORE

发布时间:2024-10-31 09:02:02     浏览:2377

X-1620NL SMT信号隔离变压器iNRCORE

  iNRCORE X-1620NL是一款专为恶劣环境设计的小尺寸信号隔离表面贴装(SMT)变压器,具备以下特点:

  主要特点:

  高隔离电压:至少3kVrms。

  宽工作温度范围:从-55°C至+125°C。

  耐用材料:锡/铅结构。

  湿度敏感性等级:3级。

  电气规格:

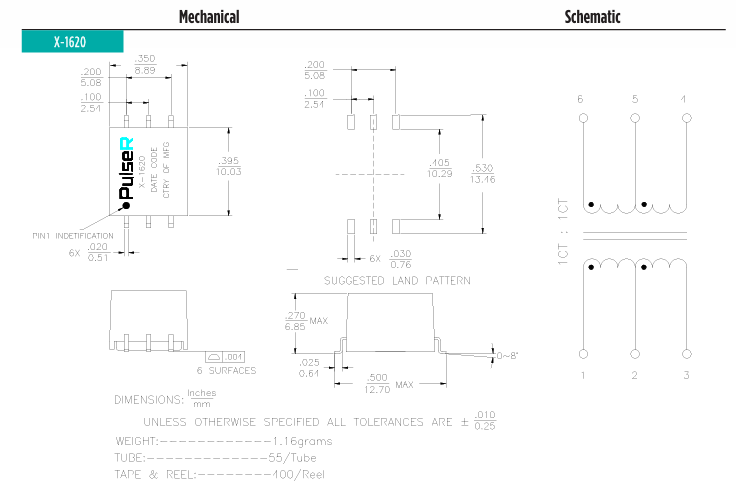
  匝比:1CT:1CT,初级与次级匝比精度为±2%。

  初级电感:至少1mH。

  直流电阻(DCR):最大0.8Ω。

  漏感:最大1.2mH。

  绕组间电容(Cww):最大25pF。

  初级电容(Cd Pri @ 10MHz):最大10pF。

  引脚配置:1-3。

  物理特性:

  重量:1.16g,轻巧设计,便于集成。

  尺寸:10.03 × 8.89 × 6.85mm,小巧尺寸适合空间受限的应用。

  这款X-1620NL变压器在耐高温、抗湿性以及高电压隔离性能方面表现卓越,非常适合需要高环境适应能力的应用场景,如工业控制、汽车电子和通信设备。

图片3.png

相关推荐:

INRCORE汽车BMS变压器 

INRCORE高频巴伦适配器转换器 

iNRCORE电流互感器 

iNRCORE反激式变压器

更多INRCORE相关产品信息可咨询3118云顶集团创展

推荐资讯

  • Broadcom BCM8958X第六代55Gb/s汽车以太网交换芯片
    Broadcom BCM8958X第六代55Gb/s汽车以太网交换芯片 2025-06-30 09:00:44

    Broadcom BCM8958X系列(含BCM89586M/BCM89581MT)是面向软件定义汽车(SDV)的第六代汽车以太网交换芯片,采用16端口设计并集成6个10G端口(支持XFI/PCIe 4.0),提供55Gb/s行业领先交换容量。

  • 石英晶体是如何制造的?石英晶振的生产工艺Q-Tech
    石英晶体是如何制造的?石英晶振的生产工艺Q-Tech 2025-07-29 09:06:56

    精密石英晶体振荡器的制造始于高纯度合成石英棒,通过晶向测定(X射线布拉格反射角校准)、精密切割/整圆、分级研磨抛光(粗磨至超细抛光)、真空金属电极沉积(频率微调预留)等核心工序,最终在超净环境下封装测试。关键工艺要求包括:晶向误差严控、表面零缺陷(氧化铈抛光+化学清洗)、全程洁净生产(尤其镀膜/封装环节),以确保高Q值频率稳定性。典型数据:切割角度偏差需<0.1°,镀膜厚度公差达纳米级。

在线留言

在线留言