Glenair 7引脚滤波器插座CB07C1L1F,CB07C2L1F,CB07C3L1F,CB07C4L1F

发布时间:2024-11-01 10:48:10     浏览:1126

  GlenairCB07C1L1F,CB07C2L1F,CB07C3L1F,CB07C4L1F属于CB系列“PogoPin”连接器,是一种 7针滤波锁紧螺母插座,用于后面板安装,专为减小高频电气干扰而设计,符合欧洲标准的CB07连接器规范。

Glenair 7引脚滤波器插座CB07C1L1F,CB07C2L1F,CB07C3L1F,CB07C4L1F

7 Pin Filter Receptacle
Polarizing
Position
(White)
Polarizing
Position 2
(Yellow)
Polarizing
Position 3
(Green)
Polarizing
Position 4
(Pink)
CB07C1L1FCB07C2L1FCB07C3L1FCB07C4L1F

  产品概述

  材质:外壳为不锈钢,表面镀黑铬。

  插针材质:铜合金,表面镀金,确保良好的导电性能和耐腐蚀性。

  密封性:硅胶O形密封圈,防水等级为IP68,符合MIL-STD-810标准,支持1米水深浸泡。

  使用寿命:能承受5000次插拔,适合恶劣环境使用。

  产品规格

  电容:在25°C、1 kHz条件下为3000 pF,耐压1 Vrms。

  耐压(DWV):最高支持50 V DC。

  最大电流:2.5安培。

  绝缘电阻:至少5000兆欧,保证高绝缘性能。

  结构与安装

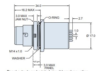
  锁紧螺母:不锈钢材质,表面镀黑铬,用于固定在面板上,最大锁紧厚度为3.0毫米。

  安装孔尺寸:M14 x 1.0螺纹安装,适合常见面板厚度。

  PCB焊接点模式:标注有安装孔和焊接点的具体尺寸,确保匹配电路板安装要求。

  面板与电路板安装

  图中显示了该插座的PCB安装孔的尺寸图和位置标记,使得用户可以精确安装和连接。

  其他特性

  尺寸:外径为20毫米,插孔直径为17毫米。

  O形圈位置:面板与插座接触处有O形圈,确保防水密封效果。

  插孔排列:图中标明了各插孔的位置和角度,为插头与插座的正确对接提供指导。

  总体来说,该产品非常适合用于需要高可靠性、抗干扰能力强的电气连接场合,尤其是在恶劣的环境中。

image.png

推荐资讯

  • Super ITS? - 带 Octobyte 触点的 ITH 连接器Glenair
    Super ITS? - 带 Octobyte 触点的 ITH 连接器Glenair 2023-05-04 16:49:08

    Glenair?可高精密制作的Super ITS-ITH Octobyte连接器具备4极和8极触点,能够提供充分专用型以太网协议或电源模块/数据信号组合版本,其中需要混合信号电源装置和以太网。

  • El Ochito? 八轴触点Glenair
    El Ochito? 八轴触点Glenair 2023-02-13 16:44:50

    Glenair?高速度,环境恶劣El Ochito?八轴触点减少规格和重量。El Ochito?触点主要用于飞机航电系统、武器装备、通讯卫星、雷达天线、通讯设备等航空航天/国防科技设备40G以太网,高速率USB与其它数千兆数据链路协议(包括(包括)HDMI、Display Port和SATA)优化方案。

在线留言

在线留言