Torex XCL232系列同步降压微型DC/DC转换器

发布时间:2024-11-18 08:49:18     浏览:854

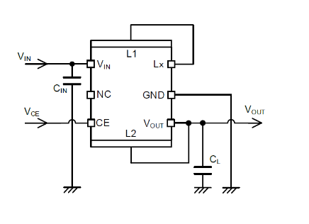
  Torex公司的XCL232系列为同步降压微型DC/DC转换器,集成电感器与控制IC。采用超低电流消耗电路和PFM控制技术,封装集成IC和线圈,仅需两个外部电容器就能配置电源。该系列具备超低功耗电路,输出电压范围为0.5V - 3.6V,有内部欠压锁定(UVLO)功能,还带有D型输出电容器放电功能。

Torex XCL232系列同步降压微型DC/DC转换器

  应用

  - 智能电表

  - 低功耗射频设备

  - 传感器模块

  - 可穿戴设备等多种设备

  产品特点

  输入电压:1.8V - 6.0V

  输出电压设置:0.5V - 1.9V(0.05V增量)、2.0V - 3.6V(0.1V增量)

  输出电压精度:±20mV(VOUT ≤ 1.0V)、±2.0%(VOUT>1.0V)

  输出电流:150mA

  待机电流:200nA(VOUT = 1.8V)

  控制模式:PFM控制

  效率:86%(特定条件下)

  放电功能:D型电容器放电

  保护功能:UVLO

  封装:CL - 2025 - 03(2.5x2.0x1.04mm)

Torex特瑞仕XCL系列PoL非隔离电源模块可用Cyntec电源模块进行替代,具体替代方案可咨询3118云顶集团创展

推荐资讯

  • TI电源模块国产高效原位替换替代方案
    TI电源模块国产高效原位替换替代方案 2024-12-18 09:00:43

    Leadway电源模块作为TI电源模块的国产替代方案,凭借高转换效率、精确电压调节、成本优势和供应稳定性,能够实现与TI模块在电气参数、物理尺寸和引脚定义上的无缝替换,广泛应用于工业自动化和消费电子领域,帮助企业降低成本、提高供应链自主性和产品竞争力。

  • Gamma/APD/SDS高压电源模块对比及选型
    Gamma/APD/SDS高压电源模块对比及选型 2025-05-14 09:32:32

    高压电源模块是将低压转换为高压的关键电子组件,广泛应用于医疗、工业和科研领域。主流品牌中,Gamma系列以宽电压范围(100V-500kV)和大功率(1W-6kW)著称,适合高精度医疗设备;APD系列具备卓越隔离性能和宽温工作能力(-40℃至85℃),适用于工业恶劣环境;SDS系列则以超紧凑设计、低纹波和高效率(>85%)见长,适合便携设备。选型需综合电压(超高压选Gamma、中高压选APD/SDS)、功率(微功率选SDS、大功率选Gamma)、环境适应性(宽温选APD300)及尺寸(超紧凑选SDS Nano)等要素,典型场景如医疗CT推荐Gamma,工业检测推荐APD,便携仪器推荐SDS。

在线留言

在线留言