JANTX1N6101低电容二极管阵列Microsemi

发布时间:2024-11-21 09:56:12     浏览:1554

  1N6101是一款低电容二极管阵列,由多个独立的隔离结构成,采用平面工艺制造,并封装在16引脚的DIP(双列直插式封装)中。这些二极管用于保护多达八个I/O端口免受ESD(静电放电)、EFT(电快速瞬变)或浪涌的影响,通过将它们导向电源线的正极或接地。可以在外接TVS(瞬态电压抑制)二极管以防止电源线上的过电压。此外,它们也可用于快速开关核心驱动器应用,包括计算机和外围设备,如磁芯、薄膜存储器、镀线存储器等,以及解码或编码应用。这些阵列提供了集成电路的许多优势,如高密度封装和提高的可靠性,这是由于减少的放置操作、更小的占用空间、更轻的重量以及消除了各种可能不利于PCB安装的离散封装。

JANTX1N6101低电容二极管阵列

  特点:

  密封陶瓷封装

  隔离二极管以消除串扰电压

  高击穿电压VBR > 75V在5μA时

  低漏电流IR < 100nA在40V时

  低电容C < 4.0pF

  开关速度小于10纳秒

  根据MIL-PRF-19500/474提供JAN、JANTX、JANTXV等筛选选项

  应用/优点:

  高频数据线

  RS-232和RS-422接口网络

  以太网:10 Base T

  计算机I/O端口

  局域网(LAN)

  开关核心驱动器  

  最大额定值:

  反向击穿电压:75V

  连续正向电流:300mA直流电

  峰值浪涌电流(tp=1/120秒):500mA直流电

  每个结点400mW功率耗散@25°C

  每个封装600mW功率耗散@25°C

  工作结温范围:-65°C至+150°C

  存储温度范围:-65°C至+200°C

  机械和封装:

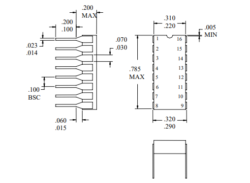
  16引脚陶瓷DIP

  重量:约2.09克

  标记:标志、零件编号、日期代码

  引脚#1位于封装顶部凹槽左侧

  电气特性(每个二极管)@25°C,除非另有说明:

  最大正向电压VF1:100mA时

  最大反向电流IR1:40V时

  最大反向电流IR2:20V时

  最大电容(引脚到引脚)Ct:0V时,1MHz频率下

  最大正向恢复时间tfr:100mA时

  最大反向恢复时间trr:10mA直流电时,1mA直流电时,RL=100欧姆

JANTX1N6101低电容二极管阵列Microsemi尺寸

Microsemi 是美国高可靠性电子元器件厂商,其军级二三级管产品,被广泛应用于全球高端市场,深圳市3118云顶集团创展科技有限公司,授权代理销售Microsemi军级二三级产品,大量原装现货,欢迎咨询。

推荐资讯

  • Statek HGXOHT工业高冲击高温晶体振荡器
    Statek HGXOHT工业高冲击高温晶体振荡器 2024-01-23 10:41:06

    Statek的HGXOHT晶体振荡器是一种高温表面贴装振荡器,可以承受高达100,000 g的极高冲击。Statek提供基于AT晶体的32.768kHz和460kHz-50MHz频率HGXOHT振荡器。

  • CPLD复杂可编程逻辑器件的应用
    CPLD复杂可编程逻辑器件的应用 2023-11-10 09:25:43

    CPLD(Complex Programmable Logic Device)是一种集成电路器件,具有高度灵活的可编程功能,可以根据用户需求实现各种复杂的逻辑功能编程。主要在通信、计算机、工业自动化、汽车电子、医疗设备等行业中应用,用于控制和管理各种设备和系统,提高设备及系统的性能、精度、灵活性和可靠性。

在线留言

在线留言