PmTA-721-45-2.3低噪声放大器Princeton Microwave

发布时间:2024-12-23 09:10:01     浏览:1189

PmTA-721-45-2.3低噪声放大器Princeton Microwave

  PmTA-721-45-2.3低噪声放大器适用于需要高增益和低噪声系数的应用,如通信系统、雷达和电子战系统。

Electrical Specifications (TA=25C)
ParametersSpecifications
Frequency7 to 21 GHz
Small Signal Gain45 minimum
Gain Flatness±1.25 dB
Noise Figure2.3 dB at mid band
Input Return Loss-10 dB
Output Return Loss-10 dB
Pout15 dBminimum
Operating DC Voltage12 Volts
Operating DC Current100 mA
ConnectorsSMA Female
DC ConnectorSolder in Filter
Absolute Maximum Rating
DC Voltage20 Volts
RF Input Power5 dBm
Operating Temperature-40°C to85°℃
Storage Temperature-55°C to 150℃

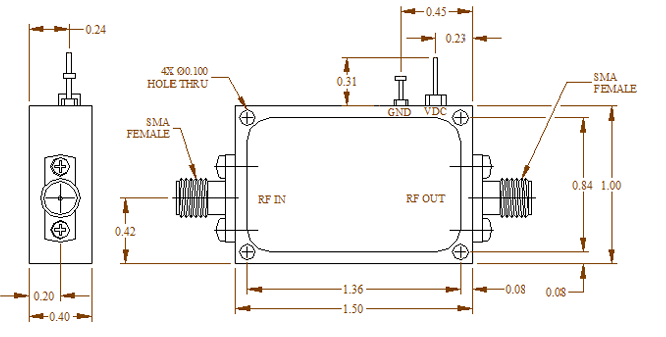
尺寸:

PmTA-721-45-2.3低噪声放大器尺寸图

PmT公司自1993年起为军事和电信市场提供高质量的微波器件,如振荡器和放大器。该公司产品系列包括各种振荡器、低噪声放大器、功率放大器、功率分配器、耦合器、滤波器、混频器等。3118云顶集团创展代理分销PmT公司产品,欢迎了解。

推荐资讯

  • LS843系列JFET放大器Linear Systems单片双N沟道
    LS843系列JFET放大器Linear Systems单片双N沟道 2025-05-23 08:58:54

    Linear Systems LS843系列是一款高性能双JFET输入放大器,具有超低噪声(1kHz时2.5nV/√Hz)、低输入电容(8pF)和低漂移(1μV/°C)等特性,适用于精密仪器和传感器应用。其工作温度范围广(-55°C至+150°C),提供多种封装形式(如SOIC 8L、PDIP 8L等),并具备高增益带宽积(1MHz)、高共模抑制比(100dB)和低功耗(400mW)等优势。

  • Linear Systems的SD210DE/SD214DE和SST210/SST214 N-Channel Lateral DMOS开关
    Linear Systems的SD210DE/SD214DE和SST210/SST214 N-Channel Lateral DMOS开关 2024-12-02 09:28:52

    Linear Integrated Systems的SD210DE/214和SST210/214系列N-Channel Lateral DMOS Switch,专为音频、视频和高频高速应用设计,提供极速切换(1纳秒)、低电容(0.2皮法)和低电阻特性,适用于模拟开关、采样保持、图像处理和DAC去抖动等多种应用。具备20V至30V的击穿电压和宽工作温度范围(-55°C至125°C),确保在高频环境下稳定可靠的性能。

在线留言

在线留言