TOREX XC6365/XC6366系列多功能降压DC/DC控制器

发布时间:2025-01-21 08:48:10     浏览:934

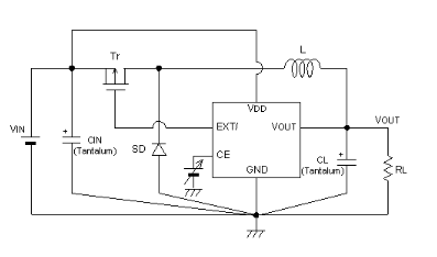
  Torex XC6365/XC6366系列是多功能降压DC/DC控制器,具有1A输出电流能力,通过使用外部连接的晶体管、线圈、二极管和电容器实现。输出电压可在1.5V至6.0V(Vout)之间以0.1V的增量进行编程(±2.5%精度)。此外,内部1.0V的标准电压供应和使用外部连接的组件,可以自由设置输出电压(FB)。通过300kHz的开关频率,可以减小外部组件的尺寸。

  XC6366(PWM/PFM可切换)在轻负载时从PWM切换到PFM,该系列从轻负载到大输出电流都具有高效率。XC6365/XC6366A、B系列的软启动时间内部设置为10ms,XC6365/66C、D系列通过外部连接电阻和电容器来调节软启动时间。

  在待机时间(CE引脚“低”),电流消耗减少到小于0.5μA。内部UVLO(欠压锁定)功能会在电压低于规定值时强制关闭外部晶体管。

TOREX XC6365/XC6366系列多功能降压DC/DC控制器

  应用领域

  电子书阅读器/电子词典

  智能手机/移动电话

  笔记本电脑/平板电脑

  数字音频设备

  多功能电源

  产品特点

  输入电压范围:2.2V至10V(Vout类型)

  输出电压范围:1.5V至6.0V(0.1V增量)(±2.5%)

  振荡频率:300kHz(±15%)

  输出电流:超过1.0A(Vin=5.0V,Vout=3.0V)

  高效率:92%(典型值)

  待机能力:Istb=0.5μA(最大值)

  选择:外部软启动设置

  输出电压设置:内部(Vout)和外部(FB)

  PWM/PFM控制(XC6366)

  最大占空比:100%

  封装:SOT-25,USP-6C

  环保:符合欧盟RoHS标准,无铅

Torex特瑞仕XCL系列PoL非隔离电源模块可用Cyntec电源模块进行替代,具体替代方案可咨询3118云顶集团创展

推荐资讯

  • XCL208A103DR降压DC-DC电源模块Torex特瑞仕
    XCL208A103DR降压DC-DC电源模块Torex特瑞仕 2024-07-26 09:05:38

    XCL208A103DR是Torex特瑞仕一款超小型降压DC-DC电源模块,由Torex特瑞仕公司生产。该模块尺寸仅2.5mm×2.15mm,高度1.05mm,集成线圈和控制IC,适用于空间受限的应用。支持1.8V至6.0V输入电压,输出电压0.8V至4.0V,最大输出电流400mA,转换效率高达90%,工作频率3.0MHz,具备多种保护和控制功能,工作温度范围-40℃至+85℃,符合EU RoHS规格。

  • 如何应对TI德州仪器涨价30%?国产替代方案解析
    如何应对TI德州仪器涨价30%?国产替代方案解析 2025-08-06 16:51:04

    面对德州仪器(TI)的涨价,GLF杰夫微和CYNTEC提供了国产替代方案,通过高性能且成本效益的数字隔离器、隔离驱动芯片、电源管理芯片和射频前端芯片,帮助企业在降低成本的同时,确保产品质量和性能,以应对市场挑战并实现供应链的优化。

在线留言

在线留言