JAN1N5195US军用级开关二极管Microsemi

发布时间:2025-01-22 08:47:23     浏览:1540

JAN1N5195US军用级开关二极管Microsemi

  1N5195是一款符合MIL-PRF-19500/118标准的军用级开关二极管,以下是一些关键特性和参数:

  设备型号:1N5195

  认证等级:JAN, JANTX, JANTXV

  最大额定值@25°C:

  工作温度:-65°C至+175°C

  存储温度:-65°C至+175°C

  浪涌电流(正弦波,8.3毫秒):2A

  总功率耗散,25°C:500mW

  最大工作电流,25°C:200mA

  直流反向工作电压(VRWM):180V

  设计数据:

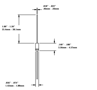
  外壳:根据MIL-PRF19500/118 DO-35轮廓的密封玻璃封装。

  引线材料:铜包钢。

  引线表面处理:锡/铅。

  热阻抗(ZθJX):最大70°C/W。

  极性:带环的阴极端。

Microsemi 是美国高可靠性电子元器件厂商,其军级二三级管产品,被广泛应用于全球高端市场,深圳市3118云顶集团创展科技有限公司,授权代理销售Microsemi军级二三级产品,大量原装现货,欢迎咨询。

推荐资讯

  • Linear Systems 3N163/3N164 P沟道MOSFET
    Linear Systems 3N163/3N164 P沟道MOSFET 2024-07-23 09:02:08

    Linear Systems 3N163和3N164是高性能p沟道MOSFET,具有高输入阻抗、高栅极击穿电压、快速切换和低电容特性,适用于电子电路。提供TO-72和SOT-143封装。

  • JANTX1N5968军级玻璃齐纳二极管Microsemi
    JANTX1N5968军级玻璃齐纳二极管Microsemi 2024-11-20 10:09:51

    Microsemi公司生产的1N4954至1N4996、1N5968至1N5969、1N6632至1N6637型号的5瓦特玻璃齐纳二极管是一系列高可靠性产品,适用于军事和商业应用,具有无空隙的密封玻璃封装和内部冶金键合,提供从3.3伏特到390伏特的广泛电压选择,标准公差为±5%,更紧密公差选项为±2%或±1%。这些二极管在-65°C至+175°C的温度范围内工作,能够耗散高达5瓦特的功率,具有优秀的电压调节能力和ESD抗性,且固有辐射硬度,适合极端环境下的应用。

在线留言

在线留言