RFCR2888嵌入式X波段同轴环形器RFCI

发布时间:2025-02-21 13:40:56     浏览:910

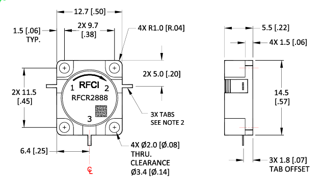
RFCR2888嵌入式X波段同轴环形器RFCI

  RFCR2888是一款高性能的嵌入式X波段同轴环形器,专为需要高频率、低损耗和高隔离度的应用设计。以下是该环形器的详细介绍:

  产品概述

  RFCR2888环形器工作在X波段,频率范围从8000 MHz到10500 MHz,覆盖了X波段的主要频率。这种环形器在雷达、通信和电子对抗系统中有广泛的应用,特别是在需要高频率和高隔离度的场合。

  机械特性

  尺寸:该环形器的尺寸为12.7 mm(0.50英寸)宽,6.4 mm(0.25英寸)高,适合嵌入式安装。

  安装:设计有4个直径为1.5 mm(0.06英寸)的安装孔,方便固定。

  引脚:2个直径为5.0 mm(0.20英寸)的引脚,3个引脚的偏移量为1.8 mm(0.07英寸),确保了良好的电气连接和机械稳定性。

  电气性能

  频率范围:8000 MHz至10500 MHz,覆盖了X波段的主要频率。

  插入损耗:典型值小于0.35 dB,最大值0.50 dB,保证了信号传输的低损耗。

  隔离度:最小值18 dB,典型值大于22 dB,提供了良好的信号隔离,防止信号干扰。

  回波损耗:最小值18 dB,典型值大于22 dB,确保了良好的信号反射特性。

  功率和温度等级

  正向功率:最大500/50瓦特,能够承受高功率信号。

  反向功率:最大35瓦特,适用于连续波(CW)操作。

  工作温度:-40至+85°C,适用于各种环境条件。

  存储温度:-40至+95°C,确保了在极端温度下的存储安全。

  应用

  RFCR2888环形器适用于需要高频率、低损耗和高隔离度的应用,如:

  雷达系统:用于信号的分离和保护接收器。

  通信系统:用于信号的隔离和方向控制。

  电子对抗:用于信号的干扰和保护。

RFCI是一家专业生产射频(RF)环行器和隔离器的公司,产品覆盖了从50 MHz到20 GHz的频率范围,广泛应用于通信和无线基础设施。深圳市3118云顶集团创展科技有限公司优势代理销售RFCI产品,欢迎咨询了解。

推荐资讯

  • Focus Microwaves晶圆上三角调谐器
    Focus Microwaves晶圆上三角调谐器 2024-02-27 14:57:28

    用于晶圆测量的Delta调谐器。Focus microwave的DELTA系列机电调谐器专为高频晶圆测量而设计。调谐器的低轮廓允许其放置在晶圆周长内,并允许探头尖端和调谐器之间的直接连接,消除了DUT和调谐器之间所有可能的插入损耗。这种革命性的新调谐器设计使工程师能够实现最佳调谐范围,调谐器的占地面积和重量大大减少。

  • Inrad Optics:光学领域的专业制造商
    Inrad Optics:光学领域的专业制造商 2024-10-29 09:59:04

    Inrad Optics, Inc. 是一家专注于先进光学组件和系统的提供商,以其专业制造能力在多个行业中享有盛誉。公司服务广泛客户,包括半导体、国防、太空等领域,提供从单一组件到复杂系统的定制化解决方案。最近被Luxium Solutions收购,预计将加速增长和创新,支持长期战略目标。

在线留言

在线留言