Microsemi 1N3595AUR开关二极管

发布时间:2025-03-21 09:02:44     浏览:1548

Microsemi 1N3595AUR开关二极管

  产品概述

  型号:1N3595AUR

  类型:开关二极管

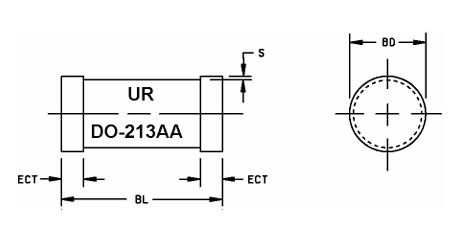
  封装形式:金属化键合,气密封装,双插头结构(DO-213AA)

  符合标准:符合 MIL-PRF-19500/241 标准

  电气特性

  直流电气特性

  正向电压(VF):

  在 25°C 环境温度下,不同正向电流(IF)下的正向电压范围:

  1mA:0.52V - 0.70V

  5mA:0.60V - 0.765V

  10mA:0.65V - 0.80V

  50mA:0.74V - 0.88V

  100mA:0.79V - 0.92V

  200mA:0.83V - 1.00V

  反向漏电流(IR):

  在 25°C 环境温度下,125V 反向电压时,反向漏电流小于等于 0.002?A

  在 -55°C 环境温度下,100V 反向电压时,反向漏电流小于等于 150?A

  在 150°C 环境温度下,125V 反向电压时,反向漏电流小于等于 3?A

  反向击穿电压(VBR):

  在 25°C 环境温度下,反向击穿电压大于等于 100V

  交流电气特性

  电容:在 0V 偏压下,电容小于等于 8.0pF

  反向恢复时间(TRR):在 10mA 正向电流和 35V 反向电压下,反向恢复时间小于等于 3.0?s

  极限参数

  工作温度范围:-65°C 至 +175°C

  存储温度范围:-65°C 至 +175°C

  浪涌电流:

  1s 正弦波:500mA

  1?s 正弦波:4A

  总功耗:500mW

  工作电流:在 25°C 环境温度下,最大 150mA

  直流反向电压(VRWM):125V

  封装尺寸

  封装类型:DO-213AA

  尺寸:

  长度(L):1.60mm - 1.70mm

  宽度(W):3.30mm - 3.70mm

  高度(H):0.41mm - 0.55mm

  引脚间距(S):最小 0.03mm

  设计数据

  封装:气密封装玻璃外壳,符合 MIL-PRF-19500/241 标准

  引脚材料:铜包钢

  引脚表面处理:锡/铅

  热阻(ZθJX):最大 70°C/W

  极性:阴极端带有标记

  应用场景

  1N3595AUR 适用于需要高可靠性和快速开关性能的电路,例如:

  高频开关电路

  电源电路中的整流和保护

  脉冲电路

  军用和航空电子设备

Microsemi 是美国高可靠性电子元器件厂商,其军级二三级管产品,被广泛应用于全球高端市场,深圳市3118云顶集团创展科技有限公司,授权代理销售Microsemi军级二三级产品,大量原装现货,欢迎咨询。

推荐资讯

  • IM 系列? 层压板Rogers
    IM 系列? 层压板Rogers 2022-08-31 16:55:21

    Rogers? IM Series?层压板包含选用IM覆层的超平滑电解铜箔,配搭优质介电特征的介质基材所组成的的材质解决方案。组成的IM Series?层压板由PTFE树脂体制组成,用玻璃布强化的满足材质,具备优异的尺寸稳定性。

  • 105883AK-1反激式变压器VANGUARD ELECTRONICS
    105883AK-1反激式变压器VANGUARD ELECTRONICS 2024-07-26 09:15:31

    105883AK-1反激式变压器,由VANGUARD ELECTRONICS生产,适用于反激式转换应用。特点包括:电感3.30uH±5%,漏感0.5uH,直流电阻6mOHMS,绝缘电压1000VAC,尺寸0.8×0.65×0.5英寸,重量约10克,适用于商业级以上环境。

在线留言

在线留言