RFCI RFCR2911法兰安装嵌入式环行器

发布时间:2025-04-11 09:07:24     浏览:1322

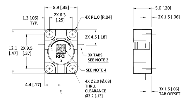
  这是RFCI生产的RFC2911的法兰安装嵌入式同轴环行器。环行器是一种用于微波和射频通信系统中的非互易性器件,它允许信号在一个方向上通过,而在相反方向上阻止信号。RFCR2911环行器适用于需要高隔离度和低插入损耗的射频和微波应用,如卫星通信、雷达系统和无线通信基站。

RFCI RFCR2911法兰安装嵌入式环行器

  电气规格

  频率范围:13.0 GHz至16.0 GHz

  插入损耗:典型值小于0.45 dB,最大值0.50 dB

  隔离度:典型值大于20 dB,最小值18 dB

  回波损耗:典型值大于20 dB,最小值18 dB

  功率和温度等级

  正向功率:峰值/平均值250/25W

  反向功率:最大10W

  工作温度:-40至+85°C

  存储温度:-40至+95°C

  机械尺寸

  尺寸:外径12.1mm,高度4.4mm

  安装孔:4个直径1.0mm的安装孔

  引脚:3个引脚,间距2.0mm

  引脚偏移:1.5mm

RFCI是一家专业生产射频(RF)环行器和隔离器的公司,产品覆盖了从50 MHz到20 GHz的频率范围,广泛应用于通信和无线基础设施。深圳市3118云顶集团创展科技有限公司优势代理销售RFCI产品,欢迎咨询了解。

推荐资讯

  • MTI Instruments单通道电容无线探头系统
    MTI Instruments单通道电容无线探头系统 2021-04-21 16:50:28

    MTI Instruments?单通道电容式无线探头系统是2.4GHz的无线电容式空隙传感器,与传输机器设备配套使用。校准后,它检测到接地装置金属目标的距离。MTI Instruments单通道电容式无线探头系统准许使用两个防松螺母将变送器长期性安装在工装夹具或螺纹探头支架上。

  • Focus Microwaves晶圆上三角调谐器
    Focus Microwaves晶圆上三角调谐器 2024-02-27 14:57:28

    用于晶圆测量的Delta调谐器。Focus microwave的DELTA系列机电调谐器专为高频晶圆测量而设计。调谐器的低轮廓允许其放置在晶圆周长内,并允许探头尖端和调谐器之间的直接连接,消除了DUT和调谐器之间所有可能的插入损耗。这种革命性的新调谐器设计使工程师能够实现最佳调谐范围,调谐器的占地面积和重量大大减少。

在线留言

在线留言