Renaissance 12A4BG-40N双定向耦合器

发布时间:2025-07-25 08:56:22     浏览:1633

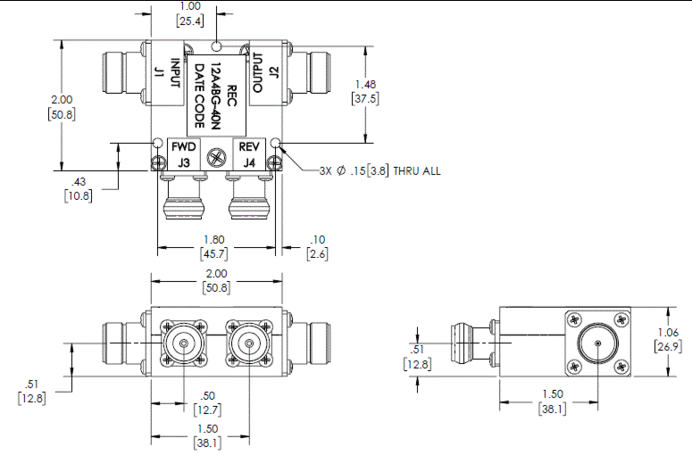
  Renaissance 12A4BG-40N是一款双定向耦合器,由 Renaissance Electronics公司生产。其工作频率范围为700MHz至4.2GHz,尺寸为2×2×1.06英寸,适用于测试和测量应用。

Renaissance 12A4BG-40N双定向耦合器

Renaissance 12A4BG-40N双定向耦合器尺寸图

Renaissance Electronics & Communications, LLC 是一家专注于高可靠性无源和有源组件以及子系统的设计和制造公司,其产品广泛应用于军事和商业领域。HXI公司(已被Renaissance收购)是一家专注于射频和微波技术的公司,主要为国防、太空和航空市场提供广泛的产品线,包括低噪声放大器、功率放大器、频率倍增器、混频器/上变频器、波导隔离器和环行器以及PIN开关等,频率覆盖从18 GHz至110 GHz。深圳市3118云顶集团创展科技有限公司优势供销Renaissance/HXI产品,欢迎咨询了解。

推荐资讯

  • Minco无人机应用解决方案
    Minco无人机应用解决方案 2025-09-09 09:10:16

    Minco 提供全场景温控解决方案:自限温柔性加热器(精准维持电池温度)、轻量化柔性电路(减重70%且抗震动)、电机温度监测系统(预防过热损伤),搭配镜头/云台加热膜(消除结雾结冰)及天线传感器加热技术(保障通信与数据稳定性),显著提升无人机在极地勘探、冬季巡检等严苛工况下的飞行安全与作业可靠性。

  • Berkeley Nucleonics Model 825:超低相位噪声射频信号源
    Berkeley Nucleonics Model 825:超低相位噪声射频信号源 2025-02-20 09:04:34

    Model 825是由Berkeley Nucleonics Corporation生产的高性能超低相位噪声射频信号源合成器,频率范围为8 kHz至20 GHz,具备快速切换能力(标准200微秒,可选5微秒),并在1 GHz下表现出优异的相位噪声性能(1 kHz偏移时为-120 dBc/Hz)。输出功率范围为0至+18 dBm,适用于自动化测试环境、电信、卫星通信、量子计算机研发等场景。

在线留言

在线留言