MIL-55310/17系列QPL振荡器频率12~50MHz

发布于:2023-10-30 16:37:01

品牌名称:Wi2Wi(PDI)

重要参数:

封装:穿孔

输出模式:TTL

频率范围:12MHz至50MHz

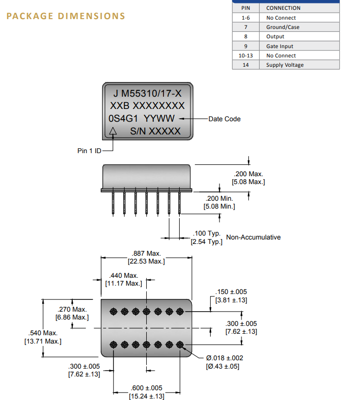
尺寸:0.887 长 x 0.540 宽 x 0.200 高

符合标准:MIL-PRF-55310

温度范围:-55°C 至 +125°C

特征:14 针


  • 产品详情

       PDI MIL-PRF-55310/17振荡器有标准频率和定制频率两种,可在密封包装中为军事和航空电子应用提供精确定时。

QPL振荡器MIL-PRF-55310/17选型

QPL振荡器MIL-PRF-55310/17精准定时尺寸

在线留言

在线留言