40A非隔离POL电源模块MYMGM1R824ELA5RP

发布于:2023-11-24 09:19:48

品牌名称:Murata村田

重要参数:

工作电流:40A

输入电压:7.5-15.0V

输出电压:0.7-1.2V

封装尺寸:9.0*10.5*5.0mm

替代产品:MSN12VD30-FR


  • 产品详情

用途:

可以使用:民用设备,工业设备

推荐使用:处理器[ASIC / FPGA / xPU],光传送装置,光通信模块,服务器,存储,开关,基站,工业设备


外观形状:

image.png

规格:


Iout (A)Max40A
Vin(V)7.5V to 15V
Vin(V)typ12V
Vout (V)0.7V to 1.2V
Vout (V)typ0.7V
线性调整率 (%)-0.5% to 0.5%
负载调整率 (%)-0.5% to 0.5%
输出数 (#)1
效率(%)79.8%
开关频率 (kHz)400kHz
尺寸 (mm)W9.0mm
尺寸 (mm)L10.5mm
尺寸 (mm)T5.0mm
工作温度(degC)-40℃ to 105℃
Circuit topologyBuck(Step-down)
封装SMD
类型Modules (integrated components)
产品系列MYMGM
产品系列特点MYMGM series which is POL(Point of Load)  is single output MonoBK with PMBus
品牌Murata


特点

输入电压范围:7.5 ~ 15V

可设置输出电压从0.7到1.2V

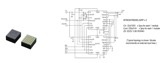
2个模块采用多相操作,输出电流可达40A

对负荷变化的快速瞬态响应

小包装,9 x 10.5 x 5mm

过流保护

使控制

信号良好

高可靠性/热冲击测试,700循环(-40至+125℃)

PMBus接口可用


在线留言

在线留言