9115-5-20热断路器

发布于:2024-05-15 13:38:58

品牌名称:Sensata

重要参数:

校准 : 200% 额定电流, 77°F(25°C):8 到 50 秒

耐力:自动:2,000 次循环 @ 200% 额定电流;手动:500 次循环 @ 200% 额定电流

中断电流容量:根据 SAE J553, 600A

振动:10G MIL-STD-202 方法 204,条件 A

机械冲击:100G MIL-STD-202 方法 213,条件 C

介电强度:MIL-STD-202 方法 301,最小 1500VAC

绝缘电阻:MIL-STD-202 方法 302,条件 B,最小 100 MΩ

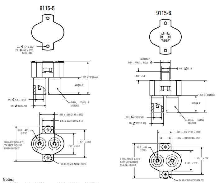
重量(含安装螺母):9115-5:最大 65 克;9115-6:最大 76 克


  • 产品详情

KLIXON? 9115系列断路器是为满足法规要求的高防水性能电气系统而精心打造的,特别适用于条例车辆。该系列产品不仅推荐用于移动军事装备,也适用于广泛的地面机械,如卡车、拖拉机、平地机、推土机、燃油设备,以及两栖和商用车辆。9115系列断路器不仅拥有完全密封的热元件,其端子也采用模制工艺,并配备了橡胶连接器(外壳),确保了产品的耐用性和可靠性。

产品特点:

- 工作电压:30VDC

- 电流范围:15至30安培

- 密封设计,提供手动和自动复位功能

- 符合点火保护标准SAE J1171和CCC认证

- 9115-5型号符合CID A-A-55571/01规范

- 9115-6型号符合CID A-A-55571/02规范

- UL认证编号:E36869

image.png

订购指南:

image.png

在线留言

在线留言